歡迎山西晉祠某公司來我公司訂購倒傘曝氣機一套
一、概述
TXS(大功率)倒傘型表面曝氣機分TXS350、TXS375、TXS400三個規格系列,是一種新型污水處理設備,推流能力強、充氧量高,混合攪拌作用大,廣泛用于石油、化工、染、制革、醫藥、造紙、食品、煤氣等行業的工業廢水和城市生活污水的處理。該設備不僅適用于活性污泥法中污水的曝氣,也適用于河流及氧化塘曝氣,尤其適宜在卡魯塞爾氧化溝(多條平行氧化溝)中使用。
二、工作原理及型號示例
污水在葉輪的旋轉推進作用下,自葉輪邊緣甩出,形成水幕,裹進大量的空氣;葉輪由下向上呈錐型擴大,是污水上下循環流動,污水充分混合,液面不斷被更新;葉輪底部及背面因水的流動形成負壓,吸入空氣,故污水能與空氣進行大面積混合,氧氣迅速溶入污水中,完成對污水的充氧作用,進而待到了凈化效果。同時,強大的動力帶動了大量水體流動,從而實現推流作用。
三、結構及特點
TXS(大功率)倒傘型表面曝氣機主要由電機、減速箱、潤滑系統、升降平臺、倒傘座、倒傘葉輪、電控系統等部分組成。整機為立式結構,占地小,不易受飛濺的污水所侵蝕。
-
電機:采用Y系列三相異步電機,戶外型,低噪音,立式防潮結構,安裝于減速箱之上,位置較高,不易受到飛濺的污水和廢氣侵蝕。同時,為取得充氧動力效率,可配備變頻裝置進行變頻調速,并通過計算機進行自動控制。
-
減速箱:立式結構,三級圓柱斜齒輪傳動。齒輪采用的經熱處理后磨削加工成形,硬齒面,精度高,運轉平穩、傳動效率高、振動小、噪音低、不易漏油,設計使用壽命超過十年,尤其其輸出軸由于可以正反兩個方向旋轉,故一臺減速箱又相當于兩臺使用。電機與減速箱的聯接通過電機座與聯軸器對中聯接,無需現場調整,傳動效率高,無沖擊、噪音低。
-
潤滑系統:采用強制式循環,自然冷卻潤滑系統。潤滑齒輪泵直接安裝于減速箱的輸出軸部位,潤滑效果好,結構安全可靠。
-
升降平臺:升降結構為平板式,上置減速箱,下聯葉輪主軸,由六根螺桿支撐立于工作臺上。通過調節固定在六根螺栓上的螺母,即可改變升降平臺高度,從而調節葉輪浸沒深度,以獲取工藝要求的充氧量。葉輪升降動程為±100mm。
-
倒傘座:采用套筒浮軸式結構聯接倒傘軸與減速箱,可實現自動對中,拆卸方便。同時由于減速箱不受軸向力,也避免了葉輪旋轉時因水力不平衡所造成的偏心而引起的振動和噪聲。
-
倒傘葉輪:直式葉片結構,采用的碳素鋼經焊接成型,并進行平衡校正、定型、除銹,其徑向推流能力強、完全混合區域廣,動力效率高、充氧能力大,不掛臟、不堵塞,自潔性能佳,可以正反兩個方向旋轉。
-
電控系統:恒速型倒傘表面曝氣機配備降壓啟動柜,調速型倒傘表面曝氣機配備變頻控制柜,無級調速,調速范圍大,操作簡單,自動化程度高,節能效果好;同時,可根據用戶要求配置PLC接口。另:用戶也可根據自已的需求另行配置控制柜或配置雙速電機來調節葉輪轉速,以獲取工藝要求的充氧量,節約能耗。
-
更詳細的說明請參閱設備的隨機技術資料。
-
-
-
-
表面曝氣機技術要求
-
1、地基厚度H由設備質量及池型決定;
-
2、3-¢60孔為葉輪安裝維修用;
-
3、預留的4個300*300*340孔,安裝時二次現澆埋地腳螺栓。
-
4、括號內尺寸為TXDL060C型號使用。
-
-
-
-
表面曝氣機技術要求
1、地腳平板厚度可根據設備重量決定,池子大小有土建決定。
2、二通孔¢60為安裝或檢修時起吊葉輪用,安裝地板是注意對準二通孔。
3、地腳孔也可做成通孔,但須配用雙頭螺栓、墊板固定。
-
-
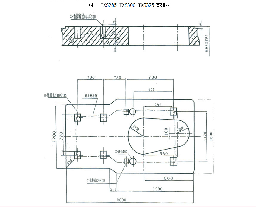
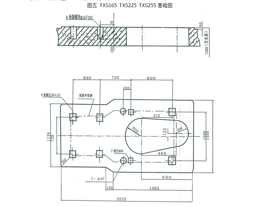
表面曝氣機技術要求
-
1、地腳平板厚度可根據設備重量決定,池子大小有土建決定。
-
2、二通孔¢60為安裝或檢修時起吊葉輪用,安裝地板是注意對準二通孔。
-
3、地腳孔也可做成通孔,但須配用雙頭螺栓、墊板固定。
-
-
表面曝氣機技術要求
-
1、地腳平板厚度可根據設備重量決定,池子大小有土建決定。
-
2、二通孔¢60為安裝或檢修時起吊葉輪用,安裝地板是注意對準二通孔。
-
3、地腳孔也可做成通孔,但須配用雙頭螺栓、墊板固定。
-


